Soms is het prettig om even op weg geholpen te worden bij het werk aan je Fiat 850.
Hieronder daarom tips van andere 850 eigenaren.
De Weber DCD opnieuw afgesteld voor de Fiat 850
- Details
- Hits: 15
Volgens mij had ik alles correct geïnstalleerd/afgesteld maar toch wilde mijn 850 sinds ik de nieuwe 1000cc motor had ingebouwd niet goed aanslaan. Ik had ondanks de Magneti Marelli Plex ontsteking een zwakke vonk, reden waarom ik de oude en bewezen ontsteking heb teruggeplaatst. Helaas geen grote verbetering.
De klepspeling nogmaals onderzocht maar die stond correct. Andere bougies er in: geen effect.
Als laatste verdachte bleef de carburateur over. Deze had ik ultrasoon gereinigd en voorzien van nieuwe sproeiers en vlotter en daarna extern nogmaals gecontroleerd.
Ik dacht dus dat die volledig in orde zou zijn.
Na een hoop research was me wel duidelijk dat de correcte werking van deze carburateur sterk afhankelijk is van een correct brandstofpeil en dat bereik je met een juiste afstelling van de vlotter. Die had ik wel gecontroleerd, maar niet met het juiste gereedschap. Daarom weer helemaal opnieuw begonnen.
De handelingen om de carburateur te controleren:
Ten eerste moet de vlotter vrij kunnen draaien rond de draaipin. Controleer op een weegschaal of de vlotter (5) het juiste gewicht heeft (18 gram). Het gewicht staat op de lip (A) tussen de vlotterelementen:

Je kunt twee soorten vlotternaalden vinden (S). Het oude type is er een zonder borghaak, het nieuwe type is met borghaak:

Voordat je het niveau test, moet je ervoor zorgen dat de naald een pakking heeft en dat deze volledig in de afdekking is geschroefd, anders kom je een halve millimeter te kort. Beide naaldtypen werken op dezelfde manier, maar controleer tijdens het testen of de borghaak van de naald de vlotter en de naald niet hindert om vrij te bewegen.
Verwijder de deksel van de carburateur en daarna de pakking, aangezien de meting zonder de pakking wordt uitgevoerd. Die pakking is nogal fragiel (dun) in het midden!

En dat is precies de reden dat ik op mijn DCD een 3D geprinte pakking van TPU-95HF heb gemonteerd. Zeer benzinebestendig en niet kapot te krijgen.

Controle van de positie van de vlotter.
Plaats het deksel van de carburateur in verticale positie. Ik gebruik een stevige winkelhaak, zie foto. Om te voorkomen dat het deksel tijdens de controle omvalt heb ik een paar bouten in het deksel gedraaid en magneten gebruikt.

Uit het handboek van Weber:


In die positie moet de tweede lip (1) van de vlotter net de kleine bal (2) van de vlotternaald aanraken en beginnen te duwen. Nu kun je de afstand meten tussen de onderkant van het deksel (vlak oppervlak) en de vlotter. De afstand tussen vlotter en deksel moet 5 mm bedragen in gesloten stand.
LET OP:
Bij mijn eerste poging de vlotter af te stellen gebruikte ik een 5mm boor. Die heeft geen uitsparing voor de gesoldeerde naad van de messing vlotter zodat ik een onjuiste meting deed en het vlotterniveau fout was! De meting wordt gedaan vanaf het vlotterlichaam, niet vanaf de gesoldeerde lippen.
Het is trouwens belangrijk om zowel vanaf links als vanaf rechts te meten en af te stellen omdat (en dat was bij mij het geval) beide vlotters niet in één lijn kunnen liggen.

Links was de speling ongeveer 6mm, rechts was die exact 5mm.
Voor deze meting zijn kalibers te koop (Webcon maakt ze en De Carburateurwinkel.nl verkoopt ze; kies de juiste maat!). Ik heb een 3D printer en heb er zelf een geprint:

De kaliber (5 mm) die ik printte heeft uitsparingen voor de gesoldeerde lippen van de vlotters, zodat ze de werkelijke meting niet beïnvloeden. De kaliber was eenvoudig genoeg om te maken, en ik heb ook de dikte 13,5 mm toegevoegd, ook met uitsparingen voor vlotterlippen, om de volledig geopende vlotterpositie te meten.
Als de vlotter niet in de juiste positie (5 mm) staat, kun je een correctie aanbrengen bij de twee vlotterarmen, waarbij je opnieuw controleert of beide vlotterhelften zich op de juiste afstand van 5 mm van het deksel bevinden.
Hierbij moet er ook op worden gelet dat de lip (1) loodrecht op de as van de vlotternaald blijft.
De vlotter kan over een afstand van 8,5 mm bewegen. Om dat te meten, draai je het deksel 180°, zodat de vlotter naar zijn maximale positie beweegt. In die positie moet de afstand tussen hetzelfde vlakke oppervlak van het deksel en de vlotter 13,5 mm zijn (5 mm + 8,5 mm).
Wanneer de slag van de vlotter niet 8,5 mm is kan dat worden gecorrigeerd bij de lip (4).

Zorg ervoor dat, als je gaat afstellen (buigen!) de lippen 4 en 1 niet vervormd raken!
Let op: Deze waarden gelden voor de meeste types, alleen bij de oudere uitvoeringen is dit 7mm en 15.5 mm.
Dichtbouwen van de carburateur:
Controleer eerst de pakking voordat je het deksel weer op de carburateur monteert en controleer ook of de vlotter vrij kan bewegen zonder de wand van de vlotterkamer te raken.
Elektrische benzinepomp met ongevalschakelaar voor de Fiat 850
- Details
- Hits: 435
Lang geleden vond ik een Hardi benzinepomp (type 14412) die ik inbouwde in mijn 850. Voor de veiligheid koppelde ik er een relais aan en bouwde ik een schakelaar in op een verborgen plekje in het interieur. Het relais is een wisselrelais (Hella 4RD 933 332-361) met een pool 87a maar die gebruik ik niet tijdens rijden. De reden dat ik dit type bestelde is dat ik zo snel geen maak-relais kon vinden. Het lijkt wel of iedereen op het wisselrelais is overgestapt.
Dat schakelen deed ik als volgt:
C = Contactslot
B = B+ Bobine
P = Benzinepomp
- Op 30 is een draad aangesloten rechtstreeks vanaf de accu. De draad is voorzien van een zekering en loopt naar de schakelaar die de pomp schakelt
- Op 86 is een draad aangesloten die bij ingeschakeld contact 12V heeft. Deze komt van de bobine (B+).
- 87 gaat naar de + van de benzinepomp
- 85 is aangesloten op een massapunt. Hierop zit ook de - van de benzinepomp.
- 87a is niet aangesloten. Als de schakelaar op 86 uit staat staat er 12V op 87a.
In de auto ziet dat er zo uit:

Nog wat achtergrondinformatie over deze pompen:
Elektrische HARDI-brandstofpompen zijn membraanpompen die in tegenstelling tot mechanische brandstofpompen een eigen aandrijving (een elektromotor of een solenoïdespoel) hebben, die zorgt voor een soepele werking onafhankelijk van de motor.
Alle HARDI-pompen hebben een speciaal regelsysteem dat de aanpassing van de pompcapaciteit aan het verbruik van de motor mogelijk maakt. Dit betekent dat deze snel pompt bij een hoog verbruik, langzaam of helemaal niet bij een laag verbruik en daardoor veel energie bespaart (flexibele slagfrequentie). Je hoeft dus de druk van de uitgaande brandstof niet af te stellen.
Wat wel belangrijk is is welk brandstoffilter je monteert. Een filter met teveel weerstand kan je meer dan 10 liter opbrengst per uur opleveren.
Alle achtergrondinformatie vind je op de site van Hardi.
Wat ook belangrijk is: zorg dat de pomp uitschakelt als je een aanrijding hebt. Een inertiaschakelaar zorgt daar voor. Zoek op "Inertia switch" en je vindt er genoeg.
De mijne vond ik, weer gratis, bij het bedrijf naast mijn werkplaats. Zij sloopten een Ford Ka en ik wist waar die schakelaar gemonteerd was. Een uurtje later had ik de bedrading aangepast en de schakelaar gemonteerd. De schakelaar is gemonteerd aan de 12 volt draad vanaf de accu en doorgelust op pin 30 van het relais.
Uiteraard ook getest; op de afbeelding links staat de schakelaar "aan", op de linker "uit".

Uitgeschakeld? Even op de knop duwen en de pomp werkt weer.

De intertiaschakelaar op het schutbord gemonteerd. Ik maakte ook een nieuwe brandstofleiding vanaf de pomp.
De A112 motor in een Fiat 850: Een podcast gemaakt met Artificial Intelligence
- Details
- Hits: 737
Iedereen heeft het over AI, Artificial Intelligence, en als ex-IT-er interesseert het onderwerp me best wel. Lezend over AI kwam ik terecht bij Google, wie anders en ontdekte dat zij een ontwikkeling hebben waarbij je tekst inlaadt, op een knop drukt en na enige tijd een podcast over je onderwerp kunt horen: NotebookLM.
Ik heb de tekst van mijn artikel over de inbouw van een Autobianchi A112 motor in mij Fiat 850 in NotebookLM geladen, op de knop "Generate" gedrukt en na een paar minuten kon ik het resultaat horen. Een gesprek van ruim 30 minuten tussen een Host en en Specialist die gezellig keuvelen over de onderwerpen uit mijn tekst, aangevuld met algemeenheden en technische tips.
Je krijgt er een samenvatting en uitgebreide notities bij:
Als je de podcast wilt beluisteren kan dat hier (in het Engels, laden kan even duren)
Een Autobianchi A112 motor in je Fiat 850
- Details
- Hits: 1189
Een Autobianchi A112 motor in je Fiat 850 bouwen is een populaire manier om flink meer vermogen uit je 850 te halen, zeker als je een A112 Abarth 1050 blok kunt vinden.

Zo'n blok, met typenummer A112-A2.000, is nogal zeldzaam aan het worden dus je kunt ook een blok uit bijvoorbeeld een A112 Elegant gebruiken (965cc, typenummer A112-B1.000).
Het verschil tussen deze blokken is de slag: 74mm voor de Abarth, 68mm voor de Elegant. Ik vond een 965cc blok en heb dit laten opboren naar bijna 1000cc.
Verdere gegevens van deze motoren:
| Type | Boring (mm) | Slag (mm) | Cilinderinhoud | Inhoud Verbrandingsruimte | Compressie-verhouding | Vermogen kW / pk |
| B1.000 | 67,2 | 68 | 965cc | 29,20 cc | 9,2 | 48 / 35,3 |
| A2.000 | 67,2 | 74 | 1050cc | 27,92 cc | 10,4 | 51,5 / 70 |
De ombouw is redelijk eenvoudig te doen als je de juiste onderdelen gebruikt (Abarth-online.de is een goede bron hiervoor) en rekening houdt met een aantal zaken. In dit artikel lees je wat ik heb gedaan.
Voorbereiding van de motor:
Ik heb de werkzaamheden aan blok en kop uitbesteed aan een bedrijf in mijn woonplaats. Daar werken zeer bekwame technici met veel ervaring. Zij hebben de kop omgebouwd naar loodvrij, grotere kleppen gezet en klepgeleiders vervangen. Ze boorden het blok op en bereidden het blok voor op de nieuwe nokkenas met een sneller profiel. Om de nieuwe zuigers te kunnen gebruiken op de bestaande drijfstangen moesten er fosforbronzen bussen worden gedraaid.
Verder hebben ze de nokvolgers geslepen.

Ik had geen offerte laten maken dus ik schrok wel van het bedrag op de factuur maar gezien de hoeveelheid aangepast werk was een offerte ook moeilijk te maken geweest.
Toch is het raadzaam om, als je de omvang van het werk redelijk nauwkeurig weet, een offerte te vragen.
Nokkenas
Dit is het belangrijkste deel van een ombouw. Een Fiat 850 motor draait linksom (CCW) terwijl een A112 motor rechtsom draait. Je moet dus een andere nokkenas monteren of zorgen dat de nokkenas andersom draait door middel van een tandwielset.
Ik heb een snelle 296° CCW-nokkenas gekocht en daarbij het bijbehorende 850 type verdeler/oliepomp aandrijftandwiel gebruikt. Hierbij hoort ook een langere as.

LET OP: Als je een originele 850 903cc nokkenas gebruikt in een Abarth blok is het nodig om wat materiaal van deze nokkenas te verwijderen vanwege de langere slag van de 74mm A112 krukas.
Alternatieve oplossing:
Omkeren van de draairichting van rechtsom naar linksom is ook mogelijk door middel van ombouw naar een tandwielaangedreven nokkenas. Je gebruikt dan een paar tandwielen in plaats van de originele tandwielen en ketting, die voor de aandrijving van de nokkenas zorgen. Je kunt dan de rechtsom draaiende nokkenas van de A112 behouden en ook het aandrijftandwiel van de A112 verdeler en oliepomp .
Met tandwielen elimineer je de distributieketting die heel snel slap wordt op 850 motoren en daarmee de timing beïnvloedt. De tandwielen gaan eeuwig mee en volgens de gebruikers klinken ze fantastisch op hoge toerentallen!
Motorblok
Ik kocht zuigers met een overmaat van 0.6mm, diameter 67.8mm. Vanwege het omdraaien van de draairichting kun je er voor kiezen om de zuigers 180 graden te draaien op de drijfstang. De zuigerpen zit in het midden van de zuiger dus draaien is niet noodzakelijk. Uit reacties van lezers van dit artikel blijkt dat zij ook zonder de zuigers te draaien een betrouwbare motor hebben gebouwd. Draaieb kan uiteraard alleen worden gedaan bij gebruik van vlakke zuigers.
Belangrijk:
Bij het blok werden de originele drijfstangen geleverd. Omdat de Autobianchi motor geperste zuigerpennen heeft en voor de zuigers van Abarth-online pennen met clips geleverd worden zat er wat ruimte tussen de ogen van de drijfstangen de zuigerpennen. Dat is niet echt bevorderlijk voor een lang leven. Dat is opgelost door fosforbronzen bussen te draaien.
Uiteraard kocht ik ook nieuwe hoofdlagers.
Belangrijk:
Controleer altijd voor inbouw de gaten van die lagers; waar olie door kanalen in de krukas naar de hoofd- en big end lagers wordt gevoerd, moet er een lichte afschuining zijn naar het uitlaatgat op het lager. Met de krukas draaiend, moet deze afschuining zo worden geplaatst dat de olie rond het lager wordt gestuwd. Bij een motor in fabrieksspecificatie zijn deze afschuiningen op verschillende manieren aangebracht en in sommige gevallen niet uitgelijnd of nauwelijks aanwezig. Het is aan te raden om nieuwe, correct uitgelijnde en bijpassende afschuiningen aan te brengen om de oliestroom te verbeteren.
Wat je ook niet moet vergeten is dat krukaskeerringen zijn ontworpen voor slechts één draairichting. Je kunt dus niet de keerringen van een A112 gebruiken (rechtsdraaiend). Het is absoluut noodzakelijk om in een A112-motor die is omgebouwd naar linksdraaiend oliekeerringen van een 850-type te gebruiken.
Oliepomp en carter
Er kunnen problemen ontstaan met de speling tussen carter en oliepomp. A112-motoren gebruiken een oliedrukventiel, geïntegreerd in de oliepomp. De 850-motoren gebruiken een overdrukventiel dat aan de zijkant van het motorblok is gemonteerd: er zit niets op de oliepomp. Vanwege de grotere A112-pomp kan als gevolg hiervan bij gebruik van het aluminium carter van een 903cc Sport op een A112-motor te weinig ruimte interferentie tussen pomp en carter bestaan.
Daarom is het te adviseren om een Fiat 133-oliepomp met geïntegreerd overdrukventiel te gebruiken op deze motoren. Deze zijn korter dan de A112-pomp en bieden voldoende speling bij gebruik van het 903cc Sport carter.
Alternatieve oplossingen:
Als je niet bang bent voor wat snij- en laswerk is het mogelijk om de A112-pomp in te korten, de afschuining van de voorkant van het 903cc Sport carter te verwijderen en opnieuw te lassen tot een ontwerp met een platte bodem, waardoor de carterplaat dichter bij de voorkant van de motor kan worden geplaatst en deze componenten vervolgens op een A112-motor te combineren.
Tenslotte is er de optie om een ander carter te monteren. Er zijn verschillende types carter die passen op een A112-motor met een ongewijzigde oliepomp leverbaar.
Let bij alle aanpassingen wel op veranderingen van het olie-opnameniveau ten opzichte van dat van de originele oliepomp op een A112-motor. Nieuwe ‘Min’ en ‘Max’ olieniveaus moeten mogelijk worden bepaald en overgebracht op een peilstok.
Cilinderkop
Met deze ombouw wil je natuurlijk niet een cilinderkop met standaard kleppen monteren. Er zijn inlaatkleppen van 30.5mm en uitlaatkleppen van 27.5mm gemonteerd. Dat is 1.5 mm groter dan standaard wat een 10 tot 15% grotere doorstroming tot gevolg heeft. Dit is vrij conservatief maar de zittingen komen nu wel erg dicht bij de rand van de verbrandingskamer te zitten. Het is (volgens Abarth-online) zelfs mogelijk om inlaatkleppen met een diameter van 33mm te monteren.
De koppakking is van het versterkte type en ook die kocht ik bij Abarth-online.
Als laatste is nog een kleine aanpassing aan de cilinderkop gedaan; een ontwikkeling van Hakan Leppens die mij ooit werd doorgegeven door Joop van den Einde. Daar waar in de cilinderkop de stoterstang van de inlaatklep van de 4e cilinder zit kan geen olie uit de bovenkant van de kop terugstromen naar de nokvolger. Door een klein stukje weg te frezen kan dat voortaan wel. Een karweitje van niets met goed resultaat.


Het is verleidelijk om het kleppendeksel van de A112 te gebruiken, zeker in combinatie met de 32 DTMR carburateur van de Abarth. Strikt genomen kan dit, maar vanwege de oriëntatie van de vlotterkamer bij een A112 kan deze combinatie alleen worden gebruikt een auto die rustig wordt gereden. Maar daar doe je deze ombouw niet voor. Ook de olievuldop komt bij dit kleppendeksel aan de verkeerde kant van de motor te zitten.
Ik kocht dus een nieuw kleppendeksel, een los inlaatspruitstuk en monteerde een Weber 28/36 DCD. Je kunt ook kiezen voor een Weber 40 DCNF carburateur.
Het gasklepmechanisme maakte ik zelf uit aluminium.

Let bij montage van een los inlaatspruitstuk wel op dat je de juiste lengte kopbouten in huis hebt. De originele lengte past meestal niet. Ik gebruikte ARP draadeinden.
Vliegwiel
Wanneer een A112-motor wordt gekoppeld aan een 850-versnellingsbak moet je een 850 vliegwiel gebruiken. Aan de vliegwielkant van de motor zijn dan aanpassingen nodig.
De reden is dat aan de kant van het vliegwiel van de A112-krukas een pen zit, die niet aanwezig is op de krukas van de 850. Het is daarom nodig om in het 850 vliegwiel een gat te boren voor deze pen voordat deze op een A112 motor kan worden gemonteerd.
Het vliegwiel is afgedraaid; het weegt nu nog 4435 gram, vergeleken met 5100 gram voor het standaard vliegwiel. De combinatie krukas/vliegwiel werd gebalanceerd (nadat het vliegwiel afgedraaid was).

Het kan nodig zijn om aan de motorzijde van de ingaande as van de versnellingsbak tussen de 3,5 en 4 mm te verwijderen waar deze in de bus in het achterste uiteinde van de krukas zit. Bij mijn blok was dit niet nodig.
Waterpomp
Een A112 heeft een waterpomp met 3 gaten in een "L"-patroon, een Fiat 850 heeft een waterpomp met 3 (843cc) of 4 gaten (903cc). Je zult hiervoor een adapterflens moeten maken of een nieuwe opzet moeten maken voor aandrijving van waterpomp en (wisselstroom) dynamo. Ik deed dat zo, voor een 4 gats pomp:

Koeling
Je kunt eenvoudig een oliekoeler monteren op een A112 blok. De onderdelen daarvoor zijn online makkelijk te vinden en snel gemonteerd. Ik deed dat op de volgende manier.
Voeg dan ook een olietemperatuursensor en olietemperatuurmeter toe. Dan weet je wat er in je blok aan de hand is
Voor verbeterde koeling zijn bij Abarth-online voor de 850's zeer veel opties beschikbaar. Je financiën bepalen je limiet.
Het lijkt aanlokkelijk om na inbouw van je nieuwe blok de koelplaten uit de motorruimte te verwijderen. Je blok gaat meer vermogen leveren, wordt heter dus er moet meer lucht bij kunnen komen. Denk hier goed over na want deze platen zijn een belangrijk onderdeel van het koelsysteem van de 850. Als je all-out gaat met elektrische ventilator kun je het overwegen maar mijn advies is om ze te laten zitten als je een normale 850 waterpomp gebruikt met standaard ventilator. Meer uitleg over de koeling staat hier.
Andere aanpassingen
Ik had nog een gereviseerde wisselstroomdynamo in voorraad. Natuurlijk heb ik die ingebouwd. Als je dit ook wilt doen kun je hier lezen wat er voor nodig was.
Wisselstroomdynamo voor de Fiat 850
- Details
- Hits: 1448
Een aantal Fiat 850's werd uitgevoerd met een gelijkstroomdynamo. Voldoende voor de basisuitvoering maar als je zwaardere gebruikers (denk bijvoorbeeld aan dubbele koplampen) gaat monteren zijn die al snel niet meer genoeg. Daarom kiest een aantal eigenaren van 850's (ook ik) er voor om een wisselstroomdynamo te monteren.
Hoe je je 850 van een wisselstroomdynamo kunt voorzien leg ik uit in dit artikel.
Passende originele dynamo's zijn wel te vinden, al zul je die meestal moeten reviseren.
De componenten van een dynamo werken samen om elektrische energie te produceren, waarbij de spanningsregelaar de uitgangsspanning regelt door de stroom naar de rotor aan te passen. Wisselstroomdynamo's zijn zowel met als zonder spanningsregelaar geleverd, afhankelijk van het merk.
Het doel van spanningsregeling in een dynamo is om een constante uitgangsspanning te behouden, ongeacht veranderingen in het motortoerental of de elektrische belasting. Dit is belangrijk omdat de elektrische systemen in een voertuig een specifieke spanning nodig hebben om correct te werken. Zonder de juiste spanningsregeling kunnen de elektrische componenten beschadigd raken of niet correct functioneren.
Voor het geval je niet bekend bent met het concept van dynamo-spanningsregeling eerst een uitleg over hoe zo'n dynamo werkt.
Componenten van een dynamo
Een dynamo bestaat uit verschillende componenten die samenwerken om elektrische energie te produceren. Deze componenten omvatten de rotor, stator, diodebrug en spanningsregelaar.
- De rotor is een roterend magnetisch veld dat een wisselspanning produceert in de statorwikkelingen.
- De stator is een stationaire set wikkelingen die de wisselspanning omzet in gelijkspanning door middel van een diodebrug.
- De spanningsregelaar is verantwoordelijk voor het regelen van de uitgangsspanning door de stroom naar de rotor aan te passen.
De spanningsregelaar bewaakt de uitgangsspanning en past de stroom naar de rotor aan om een stabiele uitgangsspanning te behouden.
De regelaar bereikt dit door de veldstroom te regelen, die op zijn beurt de uitgangsspanning regelt.
Samengevat is spanningsregeling een cruciaal onderdeel van een dynamo, dat ervoor zorgt dat de elektrische systemen in een voertuig een stabiele spanning ontvangen.
Hoe spanningsregeling werkt
De spanningsregelaar van de dynamo is dus verantwoordelijk voor het handhaven van een correcte spanningsuitgang van de dynamo.
De spanningsregelaar detecteert de spanningsuitgang van de dynamo en controleert deze met regelmatige tussenpozen. Dit gebeurt meestal met een kleine draad die is aangesloten op de uitgangsaansluiting van de dynamo. De spanningsregelaar vergelijkt vervolgens de gemeten spanning met een referentiespanning, die meestal is ingesteld op ongeveer 14 volt.
Als de gemeten spanning hoger of lager is dan de referentiespanning, past de spanningsregelaar de veldstroom naar de dynamo aan. Dit gebeurt door de hoeveelheid stroom te regelen die door de rotor van de dynamo stroomt, die op zijn beurt de uitgangsspanning regelt.
De spanningsregelaar blijft de veldstroom aanpassen totdat de gemeten spanning overeenkomt met de referentiespanning. Om ervoor te zorgen dat de spanningsregeling nauwkeurig is, voert de spanningsregelaar ook foutdetectie en -correctie uit. Det omvat het bewaken van de spanningsuitgang en het maken van kleine aanpassingen aan de veldstroom indien nodig om een consistente spanningsuitgang te behouden.
Over het algemeen is het spanningsregelingsproces van cruciaal belang om ervoor te zorgen dat de elektrische systemen van de auto goed functioneren.
Soorten spanningsregelaars
- Mechanische spanningsregelaars
Deze worden gebruikt in oudere voertuigen en werden meestal op de dynamo gemonteerd.
Deze regelaars gebruiken een set contactpunten en een veerbelaste arm om de spanningsuitgang van de dynamo te regelen.
Als de uitgangsspanning toeneemt, beweegt de arm en opent de contactpunten, wat de spanningsuitgang vermindert.
Omgekeerd, wanneer de uitgangsspanning afneemt, beweegt de arm in de tegenovergestelde richting en sluit de contactpunten, waardoor de uitgangsspanning toeneemt.
Mechanische spanningsregelaars zijn eenvoudig en betrouwbaar, maar ze zijn niet erg nauwkeurig en kunnen na verloop van tijd verslijten. - Elektronische spanningsregelaars
Deze gebruiken solid-state componenten, zoals transistoren en diodes, om de spanningsafgifte van de dynamo te regelen.
Elektronische spanningsregelaars zijn nauwkeuriger dan mechanische regelaars en kunnen een betere controle over het laadsysteem bieden.
Ze zijn ook duurzamer en hebben een langere levensduur dan mechanische regelaars.
Samenvattend: Mechanische regelaars zijn eenvoudig en betrouwbaar, maar niet erg nauwkeurig. Elektronische regelaars zijn nauwkeuriger en duurzamer, maar complexer.
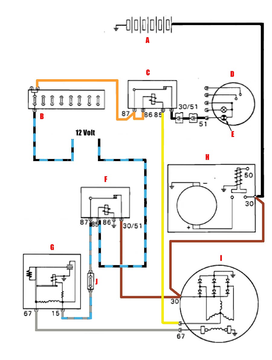
Om de wisselstroomdynamo goed te kunnen installeren gebruiken we het volgende schema; voor je met het installatieproces begint, is het essentieel om de bedradingsschema's te begrijpen. Het bedradingsschema is een visuele weergave van het elektrische circuit en laat zien hoe de componenten zijn aangesloten.
Het helpt om de draden en hun functies te identificeren, waardoor de installatie eenvoudiger en nauwkeuriger wordt. De kleuren in dit schema komen overeen met de kleuren in een Fiat 850.
Om alles goed te laten werken heb je, zoals je in het schema kunt zien, twee relais nodig: één voor het laadstroomcontrolelampje (C) en één voor de regeling van de veldstroom (F).

In dit schema hebben de letters de volgende betekenis:
| A. | Accu |
| B. | Zekeringkast |
| C. | Relais voor laadstroomindicatie 4228647 |
| D. | Toerenteller |
| E. | Laadstroomcontrolelamp |
| F. | Relais Veldstroom 4124362 |
| G. | Spanningsregelaar 4074763 - 4095889 - 4095898 - 4191122 - 4202969 - 4296100 - 4474566 - 5011933 |
| H. | Startmotor |
| I. | Wisselstroomdynamo 4181511 |
| J. | Zekering |
Controleer altijd de aansluitingen en zorg ervoor dat alles goed vastzit voor je de motor start en zorg dat de V-snaren de juiste spanning hebben!
Een opschroef oliefilter voor de Fiat 850
- Details
- Hits: 692
De motor van de Fiat 850 heeft een centrifugaal oliefilter (nr 6 op onderstaande afbeelding) en dat vergt regelmatige zorg. Deksel er af, smurrie er uit, mooi schoonmaken, nieuwe rubber ring er op en deksel terug (niet vergeten daarnade riemen weer te spannen!).
Na de tweede of derde eigenaar gebeurt dat nooit meer. Iedereen die ooit een 850 motor heeft opengemaakt weet hoe vervuild die filters dan kunnen zijn. En die vervuiling komt vanzelf in de motor terecht en kan daar vervelende schade veroorzaken.


Voor de 850-eigenaren met een vroeg type motor is er een mogelijkheid om aan de zijkant een opschroeffilter te monteren. Voorwaarde is dat er een afneembare plaat op de uitlaatkant van het blok zit:

In dit geval gaat het om een motortype 100G-002

Plaat er af en je ziet dat de montage van een opschroeffilter voorbereid is; daarvoor gebruik je een nippel met onderdeelnummer 5921207:


(dit blok is een gereviseerd blok dat al een paar jaar in een krat ligt te wachten tot ik beslis wat ik er mee wil)

En zoals je ziet past er een oliefilter op. LET OP: Dit moet wel een ByPass oliefilter zijn anders heb je geen oliedruk!
(Verduidelijking n.a.v. een tip van Ron Verzijlbergen)
Fiat 850: de onderplaten
- Details
- Hits: 956
Nadat ik in een paar Fiat 850 groepen op Facebook wat foto's had gedeeld van de onderplaat die ik maakte voor mijn auto kwamen er al snel veel reacties. Meerdere eigenaren wilden deze platen ook zelf maken en vroegen om de maten. En die zijn in dit artikel te vinden.
Hieronder zie je de platen van de 850 Berlina, 850 Coupé en 850 Special. De 850 Sport Coupé heeft panelen met andere onderdeelnummers, de (Sport) Spiders ook.

Dit is de plaat van de Sport Coupé:

Ik heb dus de rechterplaat zelf gemaakt; die is vanwege de vorm ook het makkelijkst.

Ik heb van deze plaat een setje van 4 bestanden (<<= klik op de link) gemaakt die elk een kwart van de plaat bevatten. De lengte van iedere tekening is 255mm, de totale lengte van de plaat is dus 510mm.
Als je van de 4 bestanden afdrukken maakt en die samenvoegt (aan elkaar plakt) moet je de grootste plaat snel kunnen maken uit een plaat aluminium (grijs) en een platte staf van 20*4mm (rood). De platte staf wordt in vorm gebogen, daarna boor je gaten in staf en plaat en hecht je alles aan elkaar met popnagels.
De andere panelen heb ik uit eigen voorraad; wil je die dan moet je ze zelf maken.
Hoe het onder de auto is gemonteerd zie je in het menu "Mijn Fiat 850 - Projecten"
Fiat 850: de koeling
- Details
- Hits: 1648
Zoals bij veel andere Fiat 850's ontbraken ook bij mijn auto de panelen links en rechts van de motor. Daar kun je laconiek over doen maar die panelen hebben koeltechnisch een belangrijke functie: ze zijn essentieel om de optimale werking van het koelsysteem te garanderen.
De Fiat 850 had als een van de eerste auto's een "gesloten" koelcircuit; het koelsysteem werkte met een mengsel van gelijke delen Paraflu 11 en (gedestilleerd) water. De totale inhoud van het systeem is 7,5 liter.
Paraflu 11 (ethyleenglycol) verhoogt het kookpunt van water van 100 naar 115°C. Wanneer de verhouding Paraflu/Water niet 1 op 1 is loop je kans dat de motor gaat oververhitten. Dit gebeurt ook wanneer de radiateurdop niet goed werkt of wanneer blaadjes of andere vervuiling in de motorruimte aanwezig zijn.
Zoals we allemaal weten zal, in dit gesloten circuit, zodra de radiateur te vol raakt (omdat het koelmiddel in volume toeneemt wanneer de temperatuur oploopt), de radiateurdop openen en het overtollige koelmiddel naar het expansievat stromen. Dit proces wordt omgekeerd wanneer de systeemtemperatuur daalt.

Klik op de afbeelding voor een grotere weergave.
Belangrijk in dit hele verhaal is dat het hele systeem is berekend op de aanwezigheid van de panelen links en rechts van de motor. Ontbreken die dan zal het evenwicht verloren gaan en is oververhitting het gevolg.
Nou had ik geluk en vond ik in een stapel onderdelen het paneel dat links hoort en dat was in uitstekende staat. Een rechterpaneel vond ik ook maar dat was zo gedeukt dat ik er niets mee kon.
Omdat ik ook een oliekoeler gemonteerd heb besloot ik om het rechterpaneel zelf te maken. Tripje naar de bouwmarkt voor een plaat aluminium en een meter platte aluminium staaf.
Verder wat popnagels en schuimband geregeld, ik kon aan de gang.

De oliekoeler van boven gezien.
Dit paneel werd gemaakt; aan de onderkant de geleider bij de oliekoeler:
Zijaanzicht; rechts dus de geleider bij de oliekoeler:
Vooraanzicht; de kromming is gemaakt met een platte aluminium staaf van 20*4 mm:

En zo zit hij onder de auto:
Nog wat wetenswaardigheden:
Ook als bij de 850 de motorkap gedeeltelijk open staat zal de hete lucht weer opgepakt worden waardoor oververhitting kan ontstaan. De motorkap openzetten om hete lucht te verdrijven is alleen bruikbaar bij een stilstaande auto. De motorkap openen op de 850 is alleen maar nuttig voor het aerodynamische effect om meer neerwaartse druk achteraan te krijgen. Voor de koeling tijdens rijden is dit niet nodig.
_________________________________________________________________________________________________________________________________
Belangrijk om te weten zijn de verschillen tussen de Fiat 850 en Seat 850 op het gebied van de motorkoeling:
- De radiateur van de Seat is opgebouwd met meer rijen (3) dan die van de Fiat modellen en heeft daardoor een grotere koelcapaciteit. Vanwege dit verschil is het niet mogelijk diverse onderdelen onderling te gebruiken: Luchtgeleider, rubber tussen carrosserie en radiateur en de veren waaraan de radiateur is opgehangen.
- Verder zijn de waterafvoerslang en de bijbehorende klem anders.
- Omdat de druk in het koelsysteem bij de Fiat 850 groter ( 1 bar) is dan die van de Seat (0.8 bar) kan ook de radiateurdop niet worden gewisseld tussen de merken.
- Tenslotte zijn ook de retourslangen van het kachelhuis niet hetzelfde.
_________________________________________________________________________________________________________________________________
Fiat 850 Doorvoer tunnel naar motorruimte
- Details
- Hits: 932
Ooit stond ergens op het internet een doorvoerschema voor kabels en leidingen vanuit de tunnel naar de motorruimte van de Fiat 850. Omdat ik dat niet eerder gezien had meteen gedownload, voor later. En ineens kwam op Facebook de vraag voorbij welke kabel/leiding door welk gat moest. De site waar ik de afbeelding vanaf had gehaald bestond blijkbaar niet meer, dus we hadden een uitdaging.
Omdat de oorspronkelijke afbeelding niet heel scherp was heb ik een nieuwe versie gemaakt en die staat voortaan op deze site:

| 1 | Verwarming |
| 2 | Verwarming |
| 3 | Schakelstang |
| 4 | Koppelingskabel |
| 5 | Gaskabel |
| 6 | Chokekabel |
| 7 | Handremkabel |
| 8 | Remleiding |
| 9 | KM-tellerkabel |
| 10 | 12V Startmotor |
Je kunt er meer over lezen in het menu "Mijn Fiat 850 - Projecten"
ARP draadeinden monteren
- Details
- Hits: 898
ARP draadeinden zijn een manier om te voorkomen dat je, iedere keer dat je cilinderkop moet worden gedemonteerd, nieuwe kopbouten moet plaatsen. Het is ook een redelijk dure oplossing. Maar zeker als je een los inlaatspruitstuk monteert de enige veilige manier om aan langere bouten/draadeinden te komen. Een alternatief is natuurlijk om blok en kop op te boren van 9mm naar 10mm en dikkere kopbouten te gebruiken. Maar ook dit kost geld.
ARP draadeinden herken je aan een imbus gat in de kop. Het andere einde is vlak en heeft een meestal opgeperste rand aan het einde van de draadgang aan die kant.

Voor het gebruik van ARP draadeinden voor de cilinderkop gelden extra montagevoorschriften:
- Zo moet er ARP Thread Sealer worden gebruikt in de draadgangen in het blok. Dit om het omhoogkruipen van koelvloeistof bij een warme, niet draaiende motor te voorkomen. Ik schreef er al eerder een artikel over (met dank aan Paul Vanderheijden).
- Om deze pasta goed te laten werken is het zeer aan te raden om de draadgangen goed schoon te maken met een M9x1.25 tap. Als je de tap er met de hand in en uit kunt draaien is de schroefdraad schoon genoeg.
Daarna met een ronde borstel en remvloeistof de laatste beetjes olie/vet er uit poetsen en de draadgangen droogblazen, liefst met perslucht.

- Vervolgens moeten de draadeinden goed worden schoongeborsteld in een warm badje met veel zeep, afspoelen met water en droogwrijven.
- Smeer nu de onderste draadhelft in met Thread Sealer (of een alternatief, bijvoorbeeld LOCTITE 242 Blue Threadlocker). Dit moet een dunne laag worden.
Tip: doe dit met twee tapeinden en draai de ingesmeerde delen tegen elkaar zodat de draad dun gevuld wordt..jpg)
- Draai de tapeinden handvast in het blok en gebruik een imbussleutel om ze iets vaster te draaien.
.jpg)
- Verwijder resten Thread Sealer van de tapeinden en het blok.
.jpg)
- Reinig blok en kop met remmenreiniger of iets dergelijks (geen wasbenzine of thinner), en plaats de koppakking.
Raak geen van de oppervlakken meer aan en plaats de cilinderkop..jpg)
- Smeer de ringen aan beide kanten in met de ARP Thread Lubricant en schuif ze over de tapeinden.
.jpg)
- Monteer de moeren eerst handvast en vervolgens in 3 stappen tot het benodigde aanhaalmoment.
Voor een 9mm tapeind van de hoogste kwaliteit (ARP-3, mijn benaming) is dat 65Nm. De stappen zijn dus bijvoorbeeld 20Nm, 42 Nm en 65Nm.
Dit is iets lager dan de 69Nm die geldt voor een A112 motor. LET OP: ARP levert moeren met een Torx kop. Voor deze moeren heb ik een 7/16" dop gebruikt:.jpg)
Zie de grafiek die ik maakte met gegevens van de installatiehandleidingen van ARP - Done:

Witte rijst? Sambal bij? Een schoon expansievat voor de Fiat 850
- Details
- Hits: 4668
Het verschil dat rijst maakt! Je zult wel denken dat ik raaskal maar omdat de spaarpot even wat minder gevuld is het ik de rijstpot gebruikt om mijn expansietankje van binnen schoon te maken. Gekozen voor rijst en spliterwten omdat deze wel ruwe kantjes hebben maar zachter zijn dan het plastic van het tankje. We begonnen zo:

De rijst voor en na het schudden:

Tankje na het schudden en schoonmaken buitenkant:

Nu nog even in de groene zeep en dan is dit tankje voorlopig zeer bruikbaar.
En de rijst? Die kan weg.
